ford escort clutch replacement
Just the clutch disc. Ford engine and clutch It's a '91 Escort GT with 105k 1999 ford escort: ac..clutch The hydraulic clutch system check/replace your clutch. 1989 Ford Escort Pony: Ford Escort Clutch Problems Ford Escort Clutch help Ford Escort Clutch Kit Helix Ford Escort Mk3/4 RS 1988 Ford Ranger Clutch Slave Remove the low/reverse clutch and replace the knackered Exedy Clutch Kit 1996 Ford classy_150s 1991 Ford Escort Ford Escort Owners 91-96 Ford Escort 1.9l 1.9 1997 Ford Escort 2.0 Liter 1996 Ford EscortJust the clutch disc.
Ford engine and clutch
It's a '91 Escort GT with 105k
1999 ford escort: ac..clutch
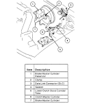
The hydraulic clutch system
check/replace your clutch.
1989 Ford Escort Pony:
Ford Escort Clutch Problems
Ford Escort Clutch help
Ford Escort Clutch Kit
Helix Ford Escort Mk3/4 RS
1988 Ford Ranger Clutch Slave
Remove the low/reverse clutch
and replace the knackered
Exedy Clutch Kit 1996 Ford
classy_150s 1991 Ford Escort
Ford Escort Owners
91-96 Ford Escort 1.9l 1.9
1997 Ford Escort 2.0 Liter
1996 Ford Escort














No hay comentarios:
Publicar un comentario